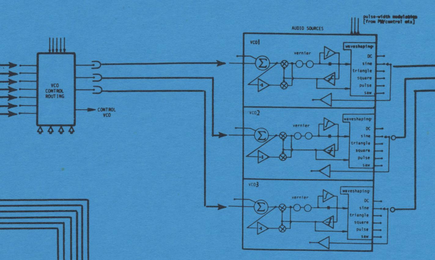
Wavemakers Wavemaker 4 Nontechnical description Block Diagram, Audio Sources

<<<Main Block Diagram